KNR-E Series Single Axis Robot Aluminium Base
Model Selector
TPA-?-???-?-??-?-???-?
TPA-?-???-?-??-?-???-?
TPA-?-???-?-??-?-???-?
TPA-?-???-?-??-?-???-?
Product Detail
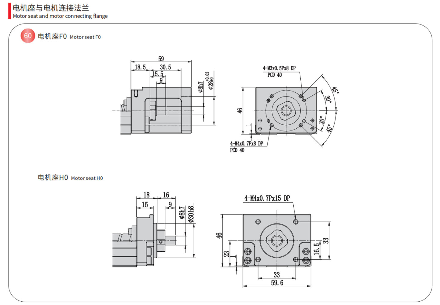
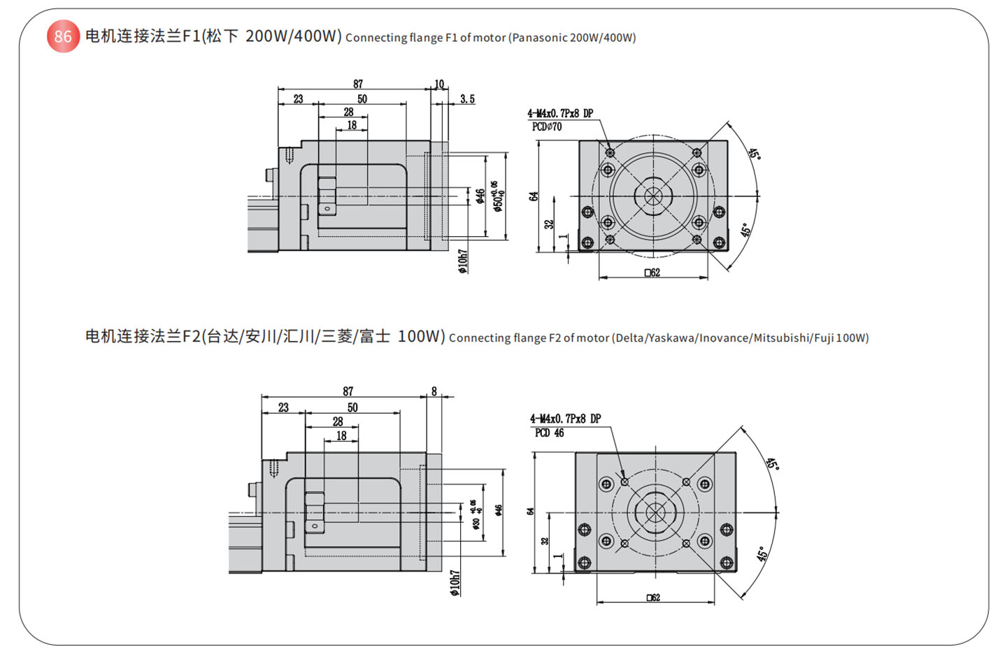
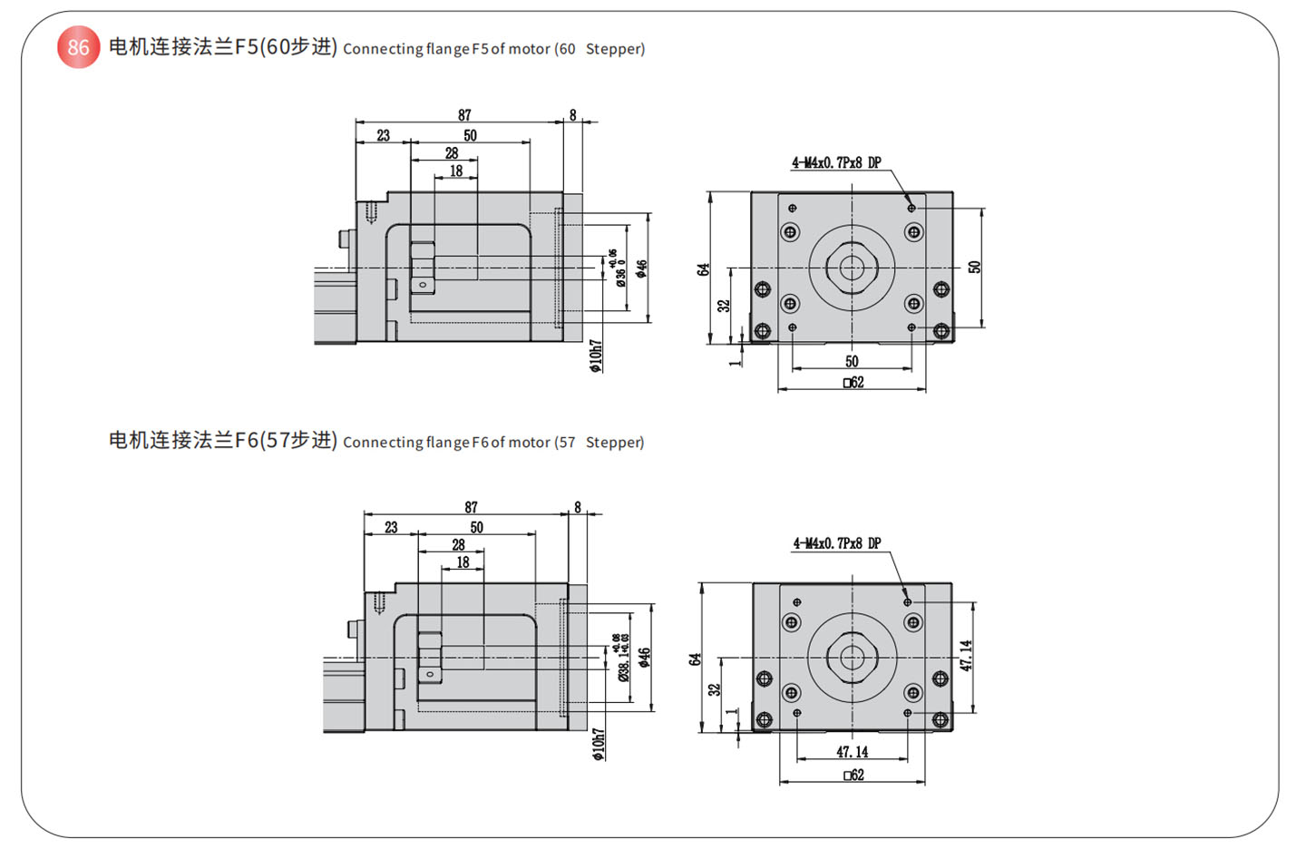
KNR-60E
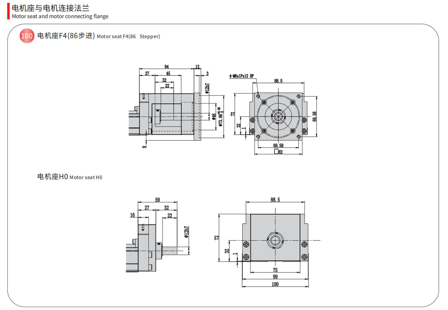
KNR-86E
KNR-100E
KNR-130E
The single axis robot KK Series, developed by TPA ROBOT, uses partially hardened U-shaped steel base track to significantly increase the robot’s strength and load capacity. Due to the different environments, we have three type of linear robot series, KSR, KNR and KFR, depending on the type of cover used.
For the return system between the track and the slider, the contact surface between the ball and the ball groove adopts a 2-row Goethe tooth design with a contact angle of 45 degrees, which can make axis robot arm bear equal load capacity in four directions.
At the same time, the high-precision ball screw is used as the transmission structure, and the U-shaped track cooperates with the optimized design, so that KK axis robot has unparalleled precision, and its repeated positioning accuracy can reach ±0.003mm.
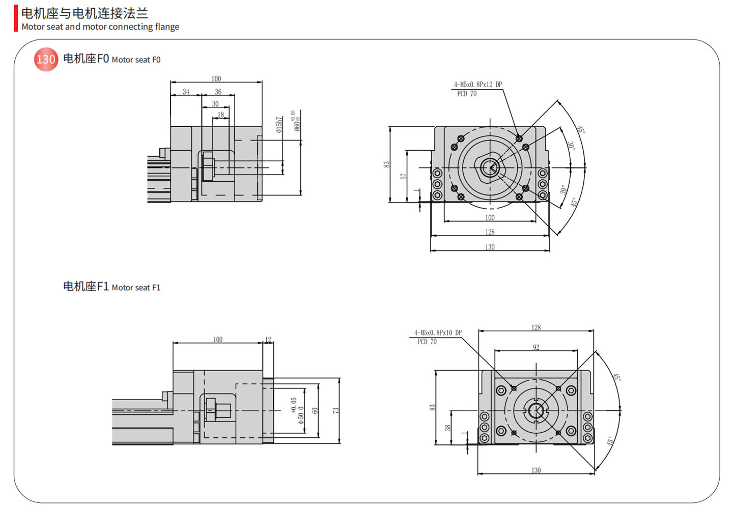
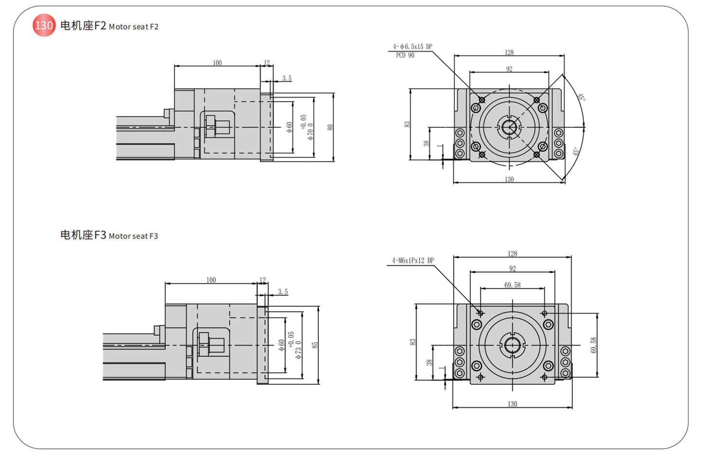
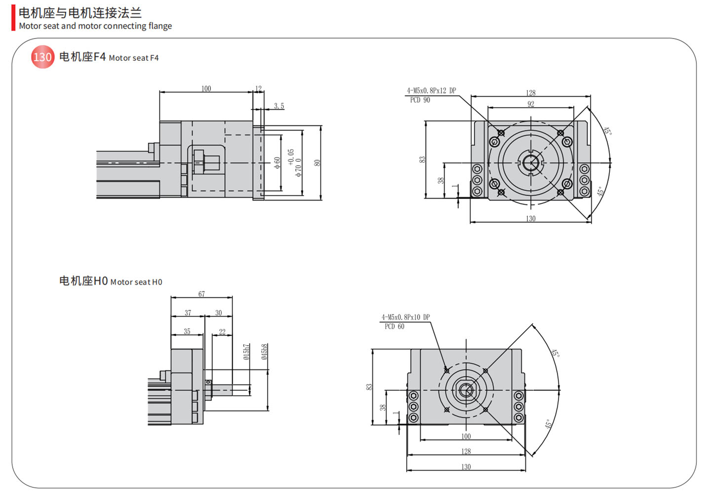
Under the same load conditions, our single axis robot KK Series is smaller in size, we provide standard threaded holes on the steel base and slider, and our motor adapter plate can provide up to 8 motor installation methods, which means it can be easily assembled any cartesian robotic system. Therefore, KK series single axis robots are widely used in silicon wafer handling, automatic dispensing, FPD industry, medical automation industry, precision measuring instruments, sliding table, linear slide table coordination industry.
Features
Repeated Positioning Accuracy: ±0.005mm
Basic Static Rated Load: 12642N
Basic Dynamic Rated Load: 7144N
Stroke: 31 – 1128mm
Max Speed: 1000mm/s





























































